武汉铁工科技发展有限公司
Wu han Tiegong Technology Development Co., Ltd
TG21-insulation Insulation Alarm Instructions
1、 主要性能指标
1、The main performance index
1.1 输入AC220V交流电源,对每台电动机U、V、W三相同时进行绝缘自动检测;
1.1 Input AC power supply of AC220V, U, V W of each motor three-phase simultaneous automatic insulation detection;
1.2 显示范围在0~50MΩ。精度:≤2MΩ时,±0.1MΩ;≥2MΩ时,±10%;
1.2 Shows in the range of 0 ~ 50 MΩ。Accuracy: ≤ 2MΩ, ±0.1 MΩ; ≥2MΩ, + 10%;
1.3 有2个开关量输出接口:绝缘过低信号,以便能在计算机或PLC上控制,或输出报警;
1.3 There are 2 switch quantity output interface: insulation low signal,
so as to be able to control in a computer or a PLC, or the output alarm;
1.4 有1个开关量输入接口:允许绝缘检测信号,以便能和电机运行联锁;
1.4 There are 1 switching input: allows the insulation detection signal, and in order to motor interlock;
1.5 装置采用液晶片显示电机的绝缘值,用LED管显示绝缘状态;其分辨率为:0.01MΩ;
1.5 Device using liquid crystal display piece insulation in motor,
with LED display state of insulation;The resolution: 0.01 MΩ;
1.6 具有按键整定功能,能整定绝缘过低报警值(整定范围:0.25~10 MΩ);
1.6 Has a key setting function, can setting insulating low alarm value (tuning range: 0.25 ~ 10 MΩ);
1.7 抗干扰能力强,能长期安全、可靠的运行。
1.7 Strong anti-interference ability, long-term safety, reliable operation.
2、操作说明
2、 The operating instructions
2.1 操作面板图如下:
2.1 Operating panel diagram as follows:

图中 In the picture:
1是LCD显示屏,用来显示绝缘检测值以及设定值,单位为MΩ。
1 is LCD display screen, used to display the detection of insulation value and set value, a unit of MΩ。
2 是状态指示灯,其中:
2i s a state indicating lamp, wherein:
OK---表示检测对象绝缘值正常;
OK--- said the insulation value of normal object detection;
AL---表示检测对象绝缘值过低;
AL--- said the detection object insulation value is too low;
SET—表示处于设定状态;
SET said in a setting state;
On Line---表示处于检测状态中。
On Line--- said in the detection of state.
3是轻触按钮,主要用于绝缘设定值的预设使用。当你按下“SET”按钮时,LCD显示屏1则进入设定值显示界面,“SET”状态指示灯也亮起。此时按下“▲”键或者“▼”键,则绝缘设定值会随之增加或减少,但不能超出范围“0.25M-10M”的范围,修改好后,按下“WR”键保存当前设定值并退出。
3 is at the touch of a button, is mainly used for insulating preset value in use。 When you press the "SET" button, LCD 1into the display setting value display interface,"SET" status indicator lamp also lights up。Then press the “▲”key or“▼”key, then the insulation set value will increase or decrease,but beyond the scope of“0.25M-10M”, After modification,press“WR ”button to save the current settings and exit。
当你进入设定状态后,如果想不保存退出,或者4S内未进行任何操作,系统也会自动退出设定状态。
When you enter the set state, if you want to exit without saving, or within 4S without any operation, the system will automatically quit setting mode。
2.2 测试操作说明:
2.2 Test instructions:
起动器箱在输出AC380V 50Hz,主泵电机工作。TG21-insulation绝缘报警器由于和电机运行联锁,没有进入电机绝缘电阻检测,此时操作面板LCD显示屏1显示“OFF”, 操作面板状态指示灯2无指示。
Starter box in the output of the AC380V 50Hz,the main pump motor work。 “TG21-insulation” insulation alarm because and motor operation interlock, not into the motor insulation resistance detection,this operation panel LCD 1display "OFF", the operation panel state indicating lamp 2without indication。
起动器箱在停止输出AC400V 60Hz,主泵电机不工作。TG21-insulation绝缘报警器通过端子18输出DC500V电压,加在主泵电机的1U2、1V2、1W2三相上,进入电机绝缘电阻检测。此时操作面板LCD显示屏1显示“50 MΩ”,同时,操作面板状态指示灯“ON LINE”亮起指示。如果“检测值”大于“SET”的预设值,
“OK”指示灯亮起指示,表明电机绝缘正常。如果“检测值”等于或小于“SET”的
预设值,“AL”指示灯亮起指示,表明电机绝缘值低,起动器箱就会声光报警提示。
Starter in stop output AC400V 60Hz, the main pump motor does not work。 “TG21-insulation” Insulation alarm through the terminal 18, output voltage of DC500V, added to the main pump motor 1U2, 1V2, 1W2 three-phase,insulation resistance detection into the motor。 At this point the operation panel LCD display screen1display "50 MΩ" , at the same time,the operation panel state indicating lamp "ON LINE" light indicator。If "the detection value" exceed than "SET" default value,"OK" light indicates ,Show the normal motor insulation 。If the "detection" value is equal to or less than "SET" The default value, "AL" light indicates ,Show that the motor insulation value is low, the starter box will sound and light alarm。
如果试验TG21-insulation绝缘报警器,可在起动器箱停止输出AC400V 60Hz,主泵电机不工作时,TG21-insulation绝缘报警器投入工作。在起动器箱的主泵电机接线端子1U2、1V2、1W2任一相和箱体外壳“地”之间,加上1 MΩ的试验电阻(实际值小于1 MΩ),来模拟主泵电机的绝缘电阻。此时,操作面板LCD显示屏1显示“检测值” ,操作面板状态指示灯“ON LINE”亮起指示。由于TG21-insulation绝缘报警器电机绝缘预设值为1 MΩ,这时“检测值”应低于“SET”值, “AL”指示灯亮起指示,表明电机绝缘值低,起动器箱就会声光报警提示。如果按操作面板的设定操作,改变TG21-insulation绝缘报警器电机绝缘预设值为0.9MΩ,则“OK”指示灯亮起指示,表明电机绝缘正常。
If the test of “TG21-insulation” insulation alarm,It can stop the output AC400V 60Hz in starter box ,The main pump motor does not work, “TG21-insulation” insulation alarm into work。1n the main pump motor starter box,Between terminals 1U2, 1V2, 1W2 at any phase and the box shell "GND", Add test resistance of 1 MΩ(the actual value is less than 1 MΩ),to simulate the insulation resistance of main pump motor。
At this time, operation panel LCD display screen 1 display "detection value",the operation panel state indicating lamp "ON LINE" light indicator。Because the “TG21-insulation” insulating alarm for motor insulation default value is 1 MΩ。Then "the detection value" should be less than the value of "SET","AL" light indicates, Show that the motor insulation value is low,Starter box will prompt alarm。
If according to the set operation panel,To change the default values for the 0.9 MΩ“TG21-insulation” insulation insulation alarm for motor,then "OK" light indicates, Show the normal motor insulation。
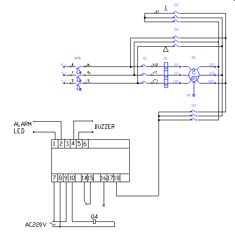
3、端子接线说明
3、Terminal
端子接线图如下:(产品前表面标识)
Terminal connection diagram are as follows: (identified in front of the product surface)

端子7,8是电源输入端口,标准电源是220VAC,50/60Hz电源。
Terminals 7, 8 is the power input port, standard power 220VAC, 50/60Hz power supply。
端子9,10是控制输出触点,主要用于外围电路的安全检测控制。
Terminals 9, 10 is to control the output contacts, mainly used for security detection control peripheral circuit。
端子1,2,3和4,5,6是两组开闭点输出,用于绝缘报警输出。
Terminals 1, 2, 3 and 4, 5, 6 is two group of opening and closing output, used for insulation alarm output。
端子14,15是绝缘检测允许输入,主要用于外围电路的安全检测控制。
Terminals 14, 15 is the detection of insulation allows input, mainly used for security detection control peripheral circuit。
端子16,18则是绝缘检测电压输出口,其中端子16要牢固接地。
Terminals 16, 18 is the detection of insulation voltage output port, wherein the terminal 16 to firmly grounded。
给出典型接线图如下:
Typical wiring diagram as follows:

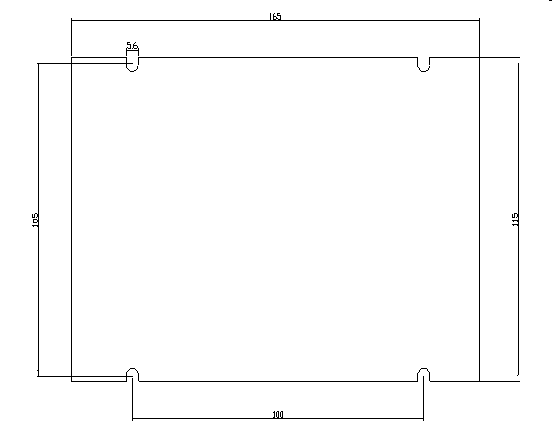
4、安装尺寸图
4、Installation size chart

产品图片 Product Picture
