武汉铁工科技发展有限公司发布:
技术领域
本实用新型涉及船用自动化领域,特别是一种电子集成式舵机系统状态显示报警板。

舵机作为船舶的主要机电设备,其重要性不容置疑,而舵机系统的状态则成为了船舶航行过程中监控的一个重点,因此使用一种集中报警显示装置是必不可少的。目前船舶上一般在架控台和集控台各安装一台舵机报警板,多采用的是嵌入式箱体结构,内部控制采用可编程逻辑控制器来实现,不仅体积大,不美观,而且成本较高。本实用新型采用电子集成的方式,取代原有可编程逻辑控制器,并将所需的按钮、指示灯全部集成到一块电路板上,使该报警板的体积大大减小,外观更加符合船用架控台的使用要求。
发明内容
本实用新型所要解决的技术问题是:提供一种体积小、集报警、控制、显示于一体的电子集成式舵机系统状态显示报警板。
如图1所示,本实用新型解决上述技术问题所采用的技术方案是:它包括微控制器芯片、直流-直流转换器、可复位式过流保险、微型继电器、光电耦合器、LED指示灯、蜂鸣器、微型按钮以及调光器,其中:直流-直流转换器的输入端与直流电源设有连接,输出端与可复位式过流保险联接,一旦后级发生短路现象,保险立即动作切断电源,以防止直流-直流转换器、微控制器芯片以及其它组成部分的损坏。
按上述方案, 所述的微控制器芯片的电源引脚1、引脚8均与直流-直流转换器的电源输出端引脚7、引脚5设有连接。
按上述方案, 微型按钮SW11和SW21分别与电源模块PS1和PS2的输入端相连,起到控制电源开关的用途。
按上述方案, 所述微型按钮按键与单片机的控制信号输入端口设有连接。
按上述方案, 所述的微型继电器线圈输入端均和端子排设有连结,以采集开关量输入信号。
按上述方案, 所述的微型继电器输出端均和微控制器芯片的输入端设有连接。
与现有技术相比,本实用新型的优点在于:
1、全部采用微型控制器单独控制每一路报警显示信号,可靠性高。
2、采用电路板集成设计,体积小,外形美观。
附图说明
图1为本实用新型的整体功能方框图。
图2为本实用新型的电路原理图。
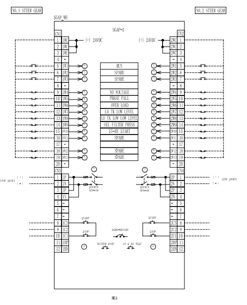
图3为本实用新型的端口接线图。
具体实施方案
如图2、所示的本实用新型实例,它包括微控制器处理单元U100~U113、U200~U213,微型继电器RY100~RY113、RY200~RY213,光耦器件PH1、PH2,调光三极管Q1、Q2,直流电源模块PS1、PS2,发光二极管L101~L114、L201~L214,微型按钮SW11、SW21、SW14、SW24。其中:微型继电器的输入端(线圈)与舵机起动器的报警或显示点设有连接;微型继电器的输出端与微处理器的输入端设有连接;微处理芯片的输入端与按键设有连接;微处理芯片的输出端与LED直接设有连接;直流电源与微处理芯片间设有连接以提供电源;微处理芯片的输出端与光耦器件设有连接;
如图1所示本实用新型实施例的基本原理:1个微控制处理单元、1个微型继电器和1个发光二极管组成一个报警或者显示单元,单元间彼此不产生联系,也就是说如果有一个单元由于某种原因损坏不会影响到其他单元正常工作。现就1个报警单元(U113、RY113、L114等主要器件组成的单元)为例说明:报警信号由端子进入继电器的1和10端,继电器线圈得电动作,低电平信号由继电器7端输出到U113的5端。信号在U113的内部经过微处理器运算后, U113的7端连到L114发光二极管的负端,低电平信号由U113的7端输出驱动LED发光。每个单元是同以上相同的处理方法独立工作。每台本实用新型都有26个相同的单元,26个单元分为左右2组,每组有13个单元。这2组分别由2个直流(5V)电源PS1、PS2供电。2组分别由2个电源开关SW11、SW21控制电源的通断。由于每组有13个微处理芯片并行工作,在电路中没有加入复位电路,这里分别用2个微处理芯片U100、U200来管理2组微处理芯片,主要是用来统一复位芯片。复位信号产生的过程是:当打开电源开关,首先由微控制芯片U100或U200的5脚连接到电源端检测到一上升沿,产生上升沿中断,进入中断处理程序,由输出口7输出一高电平,连接到7端的所有微处理器芯片的4端接收到高电平使每组微处理器芯片集中同时复位。微处理器芯片的4号引脚为复用引脚,做为普通I/O口或是做为复位引脚用由软件配置设置。
如图2所示,本实用新型实施例,系统中发光二极管的调光,是由面板的10K电位器改变电阻值,来改变三极管Q1、Q2的基极电流,从而改变三极管Q1、Q2的放大电流,进而引起三极管Q1、Q2发射极的电压变化,因此,系统状态显示报警板的发光二极管L101~L114、L201~L214电流变化,进而引起系统状态显示报警板的发光二极管亮度的调节。
如图3所示,为本实用新型实施例对外接口,它包括外部24VDC SOUCE 从CN3、CN4端子的1.2.3.4脚输入,其中1. 3脚为电源正,2. 4脚为电源负,外部舵机系统的运行、报警状态信号从CN1、CN2端子的5-20脚输入,公共线为CN1、CN2端子的1.2.3脚。同时,对
外部舵机系统的遥控起、停信号从CN3、CN4端子的8.9.10脚输出。另外,系统状态报警蜂鸣器从CN3、CN4端子的11.12脚输出。

